變頻器維修開關電源方法圖解
變頻器維修開關電源方法圖解
艾米克變頻器產品,其開關電源電路均采用將開關管、開關變壓器及二次側整流電路以外的振蕩與穩壓電路,集中于一個振蕩小板上的方法,以達到精簡電路,縮小電路板體積的目的。這樣的振蕩小板,如圖1所示,其上集成以了以284X振蕩芯片、光耦合器及電壓基準源電路為核心器件的振蕩與穩壓電路,若以光耦合器的輸入側、輸出側電路來劃分,則可分為輸出電壓采樣信號處理電路和振蕩電路兩個部分。

開關電源電路中的振蕩小板
在故障檢修中,如果先行確定了振蕩小板外圍(器件數量少,電路簡單)電路元件,如開關管、開關變壓器、二次測整流電路都無問題,故障檢修的重點便轉移至對振蕩小板的檢修上來。而此振蕩小板往往作為一個獨立部件,垂直安裝于電源/驅動板上,與周圍開關變壓器、開關管等元件相交錯,不易搭上表筆,檢修起來相對困難。想徹底對振蕩小板進行檢修,一般需費勁從電源/驅動板上焊下進行檢測,而脫機后如何上電驗證振蕩小板是否工作正常,也成為一個棘手的問題。
因而,如何采用相關措施對振蕩小板進行脫機檢測,或者進一步,如何對在線狀態,對振蕩小板有無故障進行快速和較為準確的判斷,在故障檢修中,就顯得非常有意義了。

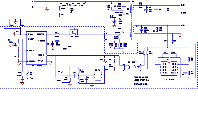
15kW變頻器開關電源
圖2電路為本人在近期故障檢修中,據實物測繪出的15kW變頻器開關電源電路,虛線框內為振蕩小板內部電路,從圖2中可以明顯看到,振蕩小板作為一個獨立部件,為6線端元件,其中VG+、VG-為振蕩芯片3844B的供電電源引入端;+5V、GND為輸出電壓采樣信號引入端;G和IF則為脈沖信號輸出端和電流反饋信號引入端。
可以以光耦合器U1為分界線,分為輸入側和輸出側兩部分電路,在線或脫機狀態下,分別提供U1輸入側電路和輸出側電路的供電電源,完成單獨對振蕩小板進行檢修和故障確認。
從VG+、VG-端接入16~24V以內的直流電源,以滿足振蕩芯片的起振工作條件。注意,若在脫機狀態,必須將3844B的3腳暫時與5腳短接,以防因3腳懸空形成靜態高電平,導致內部電流保護電路動作而禁止6腳脈沖信號的輸出!此時若振蕩芯片U2及外圍電路元件是好的,則采用直流電壓擋,能測到以下工作電壓:
1、首先能在U2的8腳檢測到穩定的5V電壓;
2、繼之在U2的4腳檢測到2~4V以內的振蕩(穩定)電壓輸出;
3、隨后在U2的6腳檢測到6V以上的脈沖信號電壓輸出。
以上檢測,若1、2步驟檢測都異常,先換掉U2再試。若1、2步驟檢測正常,在6腳無法測到脈沖電壓的輸出,首先確定3腳是接為0V低電平(不為低電平時暫時短接3、5腳使之為低電平),繼之檢測1腳是否遠高于1V,若1腳電壓偏低,檢查1腳外圍電路,有無漏電或短路元件,排除后,使1腳電壓上升為3~8V以內,隨之將會在6腳測到正常的脈沖信號輸出。
一般經過1、2、3步驟,便可以找到故障原因或確定振蕩電路的好壞了。
光耦合器U1的輸入側電路,如圖3所示。這是一個輸出電壓采樣與處理電路,從整個電壓反饋處理電路來看,U1輸入側與輸出側(即振蕩芯片U2的1、2腳內、外部電路)構成了一個電壓反饋放大器電路。若以線性穩壓的眼光來看,輸出+5V高低的變化,導致了U1輸入側光電流的變化,引起輸出側3、4腳導通電阻的變化。但這種看法是錯誤的,若分析電壓基準源431內部電路(見圖4),U1的輸入側電路只能工作開關模式,而無法進入線性區域。
開關電源的輸出電壓采樣電路(穩壓回路之一)
在+5V、GND端送入0~6V的可調直流電壓信號,以滿足圖3電路的電壓采樣條件,觀察U1輸出側電阻或電壓的變化,可大致判斷圖3電路是否處于正常狀態。

電壓基準源TL431封裝形式及內部原理框圖
TL431內部電路原理如上圖所示,內含一個2.5V基準電壓源、電壓比較器及并聯分流管VT。TL431為三線端元件,其中VREF為外部基準電壓端,輸入信號與內部Vref相比較,在VREF端輸入電壓信號高于2.5V時,內部VT導通,否則VT處于截止狀態。配合外部電路分析,TL1和U1僅對采樣電壓的一個點——5V作出反應,采樣電壓低于5V時,TL1內部VT處于截止狀態,光耦合器U1也無輸入電流產生;采樣電壓高于5V時,TL1內部VT導通,提供U1輸入電流的通路。整個圖3電路,其實是工作開關狀態的。
1、停掉VG+、VG-端接供電的情況下,可以檢測U1輸出側3、4腳之間的電阻值
在+5V、GND端送入0~6V的可調直流電壓信號,當輸入信號電壓低于5V以下時,測U1的3、4腳之間的電阻值,指針表黑筆接4腳,應大于10kΩ,數字表顯示值更大些。U1輸出側內部三極管明顯處于截止狀態;當輸入信號電壓大于5V時,U1的3、4腳之間的電阻值,指針表測量值小于1kΩ。數字表測量值為幾十歐姆。U1輸出側內部三極管明顯處于導通狀態。
2、在VG+、VG-端引入供電的情況下,可以檢測U1輸出側3、4腳之間的壓值
在+5V、GND端送入0~6V的可調直流電壓信號,當輸入信號電壓低于5V以下時,測U1的3、4腳之間的電壓值,應在3~8V之間。同時,檢測振蕩芯片6腳的脈沖信號,在正常輸出狀態。若測量電壓偏低,更換U1后再試。更換U1后仍低,檢查U1的4腳外接元件有無損壞;當輸入信號電壓大于5V時,測量U1的3、4腳之間的電壓值,應低于1V,說明U1輸出側內部三極管處于良好導通狀態,此時檢測3844B的6腳輸出脈沖信號電壓為0,說明穩壓控制是生效的。圖3電路是好的。
采用1或2步驟檢測,都能確定圖3電路的好壞。
確定了振蕩小板是好的,檢測小板外圍電路,重點是3844B的7腳啟動和供電支路,就省事多了。
深圳市艾米克電氣有限公司自2004年成立以來,經過十年的快速穩健發展,目前已經成長為國際知名的專業變頻器制造商。
公司具有業內領先的自主核心技術和可持續研發能力,提供通用變頻器、電流矢量變頻器、磁通矢量變頻器、風機專用變頻器、水泵專用變頻器、紡織專用變頻器、空壓機變頻器、注塑機專用變頻器等優質產品。
由于變頻器在眾多行業中都能實現高 效節約電能,提高工藝水平等優勢,艾米克變頻器已廣泛應用于風機、水泵、空壓機、注塑機、卷繞機、中央空調,紡織、化工、冶金、礦業、制藥、陶瓷、造紙、油田、塑料、印刷、熱電、煙草、食品等各類機械設備中。
艾米克電氣始終堅持“以質量樹立品牌、以技術領 先占領市場”的經營方針,全心全意為客戶創造更具價值的產品和提供更優質的服務。為滿足客戶的不同需求,艾米克人先后自主研發了功率從0.75kw--630kw的AMK3100通用變頻器、AMK3200變頻一體機、AMK3500磁通矢量變頻器、AMK3800電流矢量變頻器、AMK5000永磁同步、AMK600中壓變頻器。
上一篇:變頻調速器無故障跳停的原因分析
下一篇:艾米克變頻器維修之錯誤代碼說明


