變頻器的充電限流電路四種形式
變頻器的充電限流電路常用電阻和交流接觸器并聯,也可用其它的元器件。由于結構不同,整流充電限流電路有四種形式。
變頻器主電路圖所示為電阻和交流接觸器并聯形式如圖2:

圖中,限流電阻R3和交流接觸器KM組成整流充電限流電路。
如果用一只可控硅代替交流接觸器,限流電阻與可控硅并聯組成了第二種整流充電限流電路。如下圖所示:

可控硅半控整流橋充電限流電路如下圖所示,R5和D7組成整流充電限流電路。

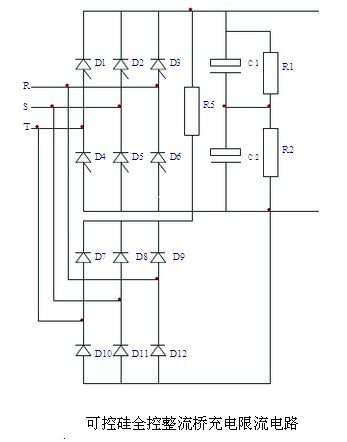
可控硅全控整流橋充電限流電路如下圖所示,R5和輔助充電整流橋D7~D12組成整流充電限流電路。

艾米克涉及電力電子傳動領域、工控系統集成領域和新能源電源事業部及系統集成事業部等四大產品部門等。艾米克以優秀的質量,完美的品質,贏得一大批客戶的信賴。艾米克生產銷售的產品,都有嚴格的質檢環節,保證每一臺變頻器的完美正常運行。艾米克的質量與口碑使艾米克變頻器在市場上的應用越來越廣,艾米克以質量樹立品牌,以技術領先市場的品牌理念促使著艾米克為客戶創造提供更有價值的產品和服務。
上一篇:高爐上料機運用變頻調速系統的優勢
下一篇:變頻調速控制煉焦爐鼓冷系統原理圖


